- 雷达液位计料位计系列产品
- 压力/液位/差压/密度变送器
- 液位仪表系列
- 流量仪表系列
- 物位仪表系列
- 液位/温度/压力/流量-报警仪
- PLC/DCS自动化控制监控系统
- GPRS无线远传装置
- 有纸/无纸记录仪系列
- 温度仪表系列
- 分析仪|检测仪|校验仪系列
全国销售热线:400-9280-163
电话:86 0517-86917118
传真:86 0517-86899586
销售经理:1560-1403-222 (丁经理)
139-1518-1149 (袁经理)
业务QQ:2942808253 / 762657048
网址:https://www.harzkj.com
电话:86 0517-86917118
传真:86 0517-86899586
销售经理:1560-1403-222 (丁经理)
139-1518-1149 (袁经理)
业务QQ:2942808253 / 762657048
网址:https://www.harzkj.com
氧化锆氧量分析仪

一、用途
RZ-ZOY-4系列智能氧化锆氧量分析仪是一种实用可靠的自动化分析仪表。能与各种电动单元仪表、常规显示记录仪表及DCS集散控制系统配合作用,可对锅炉、窑炉、加热炉等燃烧设备在燃烧过程中所产生的烟气含量进行快速、正确的在线检测分析。以实现低氧燃烧控制,达到节能目的,减少环境污染。
RZ-ZOY-4系列智能氧化锆氧量分析仪有ZOY型氧化锆探头(一次仪表)和ZOY氧量变送器(二次仪表)二部分组成。
二、工作原理
1、氧化锆锆管是一种金属氧化物,在高温下形成固态电解质具有传导氧离子的特性。被测气体(烟气)通过探头过滤器,进入氧化锆锆管的内侧,参比气体(空气)通过自然对流进入探头氧化锆锆管的外侧。当锆管内外侧氧浓度不同时,在氧化锆锆管内外两侧间会产生氧浓差电动势。(见图一)

这种氧浓差电动势可用奈斯特(Nerast)公式表示如下:

式中:EZ—气浓差电动势,单位mV
R—理想气体常数,8.314焦耳/度·克分子
T—**工作温度K,273.16+T℃
n—参加反应的电子数,为4
F—法拉弟常数,96500库仑
PA—参比气体(空气)尝试取20.6%
PO—被测气体(烟气)浓度,单位%
在参比气体气体确定下,氧化锆探头输出的气深度差电动势Ez仅于探头工
作温度和被测气体浓度成函数对应关系。
2、ZOY型气量变送器主要作用就是将气化锆探头输出的气浓差电动势Ez转
换成与被测烟气含气量成线性关系的电流信号输出。
型号规格及技术指标
3.1 型号规格


RZ-ZOY-4系列智能氧化锆氧量分析仪是一种实用可靠的自动化分析仪表。能与各种电动单元仪表、常规显示记录仪表及DCS集散控制系统配合作用,可对锅炉、窑炉、加热炉等燃烧设备在燃烧过程中所产生的烟气含量进行快速、正确的在线检测分析。以实现低氧燃烧控制,达到节能目的,减少环境污染。
RZ-ZOY-4系列智能氧化锆氧量分析仪有ZOY型氧化锆探头(一次仪表)和ZOY氧量变送器(二次仪表)二部分组成。
二、工作原理
1、氧化锆锆管是一种金属氧化物,在高温下形成固态电解质具有传导氧离子的特性。被测气体(烟气)通过探头过滤器,进入氧化锆锆管的内侧,参比气体(空气)通过自然对流进入探头氧化锆锆管的外侧。当锆管内外侧氧浓度不同时,在氧化锆锆管内外两侧间会产生氧浓差电动势。(见图一)

这种氧浓差电动势可用奈斯特(Nerast)公式表示如下:

式中:EZ—气浓差电动势,单位mV
R—理想气体常数,8.314焦耳/度·克分子
T—**工作温度K,273.16+T℃
n—参加反应的电子数,为4
F—法拉弟常数,96500库仑
PA—参比气体(空气)尝试取20.6%
PO—被测气体(烟气)浓度,单位%
在参比气体气体确定下,氧化锆探头输出的气深度差电动势Ez仅于探头工
作温度和被测气体浓度成函数对应关系。
2、ZOY型气量变送器主要作用就是将气化锆探头输出的气浓差电动势Ez转
换成与被测烟气含气量成线性关系的电流信号输出。
型号规格及技术指标
3.1 型号规格

3.2 技术指标
① 基本误差:<±2%F•S,仪表精度1级
② 量 程:0~5%O2;0~10%O2;0~20%O2;0~25%O2
③ 本底修正:-20mV~+20mV
④ 被测烟气温度:ZOY-4型低于700℃(低温型)ZOY-5型700~1200℃(高温型)
⑤ 输出信号:可扩展双路隔离输出,0~10mADC和4~20mADC,采取光电隔离,直接和计算机联网。
⑥ 负载能力:0 ~1.2ΚΩ或0~600Ω
⑦ 环境条件:0~50℃;相对湿度<90%
⑧ 电 源:220V±10%,50Hz
⑨ 功 耗:变送器约8W,加热炉平均约50W
⑩ 响应时间:90%约3秒
氧化锆探头加热炉升温时间:约20分钟
氧化锆探头寿命:氧化锆管按国际GB11169-89保用一年。主体寿命5年以上。
3.3 规格尺寸
① 氧化锆探头的外形尺寸:单位mm (图二)
L=400、800、1200

3.3 规格尺寸
① 氧化锆探头的外形尺寸:单位mm (图二)
L=400、800、1200

3.4锆头及变送器接线
①锆头的端子接线图
② 变送器接线
四、仪表操作,前面板


参数功能
Loc:若要设置以下参数,先把Loc设置为808,设置结束后,可把Loc设置为其他值,防止误操作改变设置值
dA:等于零电流输出为0~10mA,不等于零电流输出为4~20mA
SC:为传感器氧电势迁移值单位为mV
dIL:0 — +20.00,线性输入零点显示值
dIH:0 — +20.00,线性输入满度显示值
对应dIL~dIH,7、8脚输出电流4~20mA
CC:加热温度设定值,当温度达到设定值时,仪表自动停止加热并保持此温度。
五、氧化锆探头的安装
氧化锆探头安装
⑴ 安装点的选择:
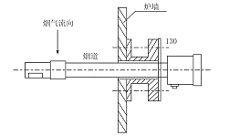
探头安装点的烟气温度应符合小于600℃的要求,一般来说,烟气温度低,探头使用寿命长,烟气温度高,使用寿命短。探头不能安装在烟气不流动的死角,也不能安装在烟气流动很快的地方(如有些旁路气道的扩容腔内)。
另外要求烟道漏气较小,探头安装维修方便,对于中、小型锅炉,建议安装在省煤器前过热器后,因为锅炉系统烟气流向从炉膛到汽包,经过过热器、省煤器、空气预热器,由引风机经回收处理后从烟囱排放。如果测点过于靠近烟气炉膛出口,由于温度过高,流速较快,将对探头不锈钢外壳形成冲刷腐蚀,减短使用寿命;如果测点过于偏后,由于烟道系统中漏气现象,将造成测点处氧量值偏高,不能如实反映炉膛中的烟气氧量。
⑵ 炉墙上的探头固定法兰:
用钢材做成如图六形状的过渡架,过渡架的法兰能直接焊在炉墙外壁上或埋入炉墙中,但要求气密牢固。过渡架另一端法兰是为固定检测器而设,因此必须与检测器固定法兰的螺孔相匹配。如果用Ф12mm安装孔,则在过渡法兰的Ф130mm圆上均布四个Ф12mm安装孔,使用4个M10×40的螺丝,将它与检测器的固定法兰紧固,为防止漏气,两法兰间可填充橡胶纸板密封圈。
⑶ 探头的安装:
探头的参比气是靠空气自然对流提供的,探头需水平安装,参比气和标准气接口相应朝下,探头安装法兰和过渡架法兰之间必须填橡胶纸板,以免空气漏入烟道,影响测量准确度。
探头端头必须离锅炉内壁150mm以上,使过滤器的多孔陶瓷暴露部份背对烟气的流向(过滤器方向可单独转动)以避免陶瓷体受气体冲刷,延长使用寿命。
当探头推入烟道时,为防止锆管爆裂,宜分段逐步推入,一般以10~20厘米/分钟为好。(见图七)

(图六 探头的安装)

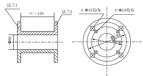
(图七 过度架法兰)

(图六 探头的安装)

(图七 过度架法兰)
附表一
氧量电势温度对照表

附表二
氧气势、氧量百分比与输出电流对照表

氧化锆氧量分析仪产品咨询、选型、报价, 咨询电话:0517-86917118,手机: 1560-1403-222
- 相关文章
-
- 雷达液位计的作用 【2025-11-18】
- 雷达液位计使用注意事项 【2025-11-18】
- 雷达液位计安装注意事项全解析 【2025-11-14】
- 雷达液位计工作原理及相关说明 【2025-11-14】








