- 雷达液位计料位计系列产品
- 压力/液位/差压/密度变送器
- 液位仪表系列
- 流量仪表系列
- 物位仪表系列
- 液位/温度/压力/流量-报警仪
- PLC/DCS自动化控制监控系统
- GPRS无线远传装置
- 有纸/无纸记录仪系列
- 温度仪表系列
- 分析仪|检测仪|校验仪系列
全国销售热线:400-9280-163
电话:86 0517-86917118
传真:86 0517-86899586
销售经理:1560-1403-222 (丁经理)
139-1518-1149 (袁经理)
业务QQ:2942808253 / 762657048
网址:https://www.harzkj.com
电话:86 0517-86917118
传真:86 0517-86899586
销售经理:1560-1403-222 (丁经理)
139-1518-1149 (袁经理)
业务QQ:2942808253 / 762657048
网址:https://www.harzkj.com
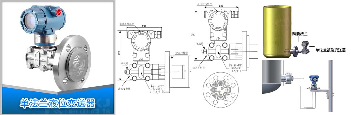
单法兰液位变送器在测量密闭容器液位中改造方案说明
发表时间:2019-07-29 点击次数:965 技术支持:1560-1403-222
工业生产现场存在着大量的密闭容器,比如各种槽罐,在存放一些挥放性液体或腐蚀性液体介质时,就需要以闭密的方式加以储存。测量密闭容器中液体液位的仪表有很多种类型,但也要根据不同测量现场才能加能确定,不能一概而论。基于差压变送器的单法兰液位变送器的液位测量就是其中一种重要的产品,差压变送器在测量密闭容器中的液位时,往往需要在测量容器内部液体高度形成的压力,也同时需要承受容器内气相压力的作用。因此需要把容器上部引出的气相压力和下面取压点的压力进行比较, 才能测出液体的真实液位。不过此时就产生了一个负压侧配管问题需要解决。

在实际的生产实践中, 双法兰液位计的拆装、调校费人费时, 且易损坏毛细管; 同时, 此变送器价格较贵。故此我厂在新设计或技术改造中都使用单法兰式液位变送器(就是单法兰差压变送器)来测量密闭器中的液位。因而在负压侧配管方面有了一点认识。
我厂原有的负压侧配管方法有两种( 见图1和图2 )。图1是属负压室保持千燥的测量方法, 常用在贮较低沸点的物料( 如甲醇, 沸点为64.45 ℃ ) 槽上。

在图1 的测量方法中, 由于负压室取压管a b 段为水平安装, 当夏季工艺生产提高, 或是环境温度升高, 尾气冷凝器冷凝效果不好时, 槽内大量汽体产生的冷凝液会在尾气管中冷凝后顺着尾气管( 液体的附壁性) 经过负压室导压管a b 段流入储液筒, 造成负压室满液。因此槽均有玻璃管液位计监视不属液体满槽造成。此负压室满液现象夏天高温季节多发生(冬季无此现象)。有一段时间,我厂回收工段的H 5 1 0和H 5 12 二位号变送器的负压室经常满液, 使变送器根本无法工作。后来我、们将负压室导压管a b 段改水平安装为a b段与水平线成5 一10°的角度上翘(如图3 所示) 当然此角度可根据工艺现场及其安装要求和美观状况而有变化。总之, 将水平导压管a b 段上翘一定角度后, 即解决了高温季节此二位号单法兰液位变送器无法工作的状况。通过三个多月的高温季节生产证明, 此法简单易行, 满足了工艺生产需要。

图2 的负压室取压装置我厂常用在贮较高沸点( 如醋酸, 沸点118 ℃ ) 物料槽上。由于原设计均为金属构件, 冷凝罐灌满了冷凝液( 工艺不允许灌硅油) , 用负迁移的办法来测量液位。但这种办法, 夏天高温季节易使负压侧冷凝液气化蒸发, 造成液位指示偏高, 严重时自扎位号变送器误动作, 造成工艺停车事故。由于气化蒸发过快时, 负压宝均为金属构件, 不易发现负压室冷凝液减少的情况, 因而在不能得到及时补充的时候, 会使变送器误动作, 使槽子液体抽空、造成工艺停车事故。我厂合成工段的H 106t一J T 自控仪表位号曾山于上述原因使合成工段I 列停车, 造成很大损失。为解决高温季节出现此问题, 笔者将该类位号变送器的原金属冷凝罐改为透明可见的玻璃视钟式冷凝罐, 便于在变送器运行时观察冷凝液的气化蒸发情况, 随时补充。
据我们统计, 该类位号变送器在七、八、九三个高温月中, 大约7 一15 天就要灌一次冷凝液。而冬季儿乎无须补加冷凝液。通过半年特别是高温季节的生产考验, 证明效果好, 消灭了槽子抽空事故, 保证了工艺生产。
上一条:浮标液位计的工作原理与结构及如何实现液位信号的远传输出
下一条:读懂液位计、流量计等所有自动化仪表种类只需要一张图
- 相关文章
-
- 雷达液位计的作用 【2025-11-18】
- 雷达液位计使用注意事项 【2025-11-18】
- 雷达液位计安装注意事项全解析 【2025-11-14】
- 雷达液位计工作原理及相关说明 【2025-11-14】
- 静压式液位变送器安装规范 【2023-12-18】
- 详解电磁流量计现场检修的正确步骤及注意要领 【2016-03-10】
- 霍尼韦尔压力变送器 【2023-12-20】
- 静压式液位变送器生产厂家 【2023-12-17】
- 浅析磁浮子液位计应用于原油分离器中现场校准 【2016-12-22】
- 净水厂配水管网电磁流量计和超声波流量计的对比与选择 【2019-08-01】








