- 雷达液位计料位计系列产品
- 压力/液位/差压/密度变送器
- 液位仪表系列
- 流量仪表系列
- 物位仪表系列
- 液位/温度/压力/流量-报警仪
- PLC/DCS自动化控制监控系统
- GPRS无线远传装置
- 有纸/无纸记录仪系列
- 温度仪表系列
- 分析仪|检测仪|校验仪系列
电话:86 0517-86917118
传真:86 0517-86899586
销售经理:1560-1403-222 (丁经理)
139-1518-1149 (袁经理)
业务QQ:2942808253 / 762657048
网址:https://www.harzkj.com
均速管流量计的产品结构及工作原理


均速管流量计是一种利用差压法测量气体、液体流量的测量装置,它通过对管道中流体平均速度的测量,反映出管道中流体的流量。均速管流量探头主要有阿牛巴(Annubar)、威力巴(Vrabar)、威尔巴(Wellbar)、德尔塔巴(Deltaflow)、托巴(Torbar)、双D巴等几种。它是美国Dieterich标准公司在上世纪60年代中期研制的产品,70年代随石油化工成套设备引进我国,国内许多单位对其应用进行了研究,并生产出多种产品,其应用也越来越普遍。
一、均速管流量计的工作原理
均速管流量计的工作原理见图1。
图1中,面对流体流动方向在全压管上开了4个测孔,测孔按切比雪夫法或其它方法定位,4个测孔检测的压力由插入管均压,插入管的压力与背对流体流动方向的静压管检测压力的差值,经开方运算后即反映测量截面处流体平均流速的大小,也就反映了流量的大小。
与孔板等标准节流装置比较,均速管流量计具有以下特点:计算简便,易于按现场使用条件变更和修改参数;结构简单、易于加工,价格低廉;安装方便、维护量小;性能稳定,在长期使用过程中,其测量精确度基本不变;阻力损失小,大体相当于标准节流装置阻力损失的5%。
以制造成本为例,对直径100毫米的管道来说,孔板的价格稍高于均速管。随着管径的增加,孔板的制造成本直线上升,而均速管增加不多。当管径达到400毫米时,孔板的制造成本较100mm管径时增加了3-4倍,而均速管仅增加0.5倍。管径再大,价格相差就更多了。但是,由于对均速管流量计的研究深度远不及标准节流装置,所以对流体介质较为清洁并需精确计量的场合,一般仍应选标准节流装置。
二、均速管流量计结构
各种均速管本体结构大体相同,对选型来说其截面形状和静压取压点较为重要。
1、截面形状
均速管截面形状有圆形、菱形等,当流体流过均速管时,流体微团发生反向流动的起始点称为分离点。对圆形截面均速管来说,雷诺数和静压的变化都会使分离点位置移动,从而使流量系数变化,如在雷诺数小于105及大于1.1×106时,流量系数基本稳定,但在105~1.1×106之间时,流量系数变化达±10%。这种异常称为临界现象。对菱形截面的均速管来说,分离点位置始终固定,因而不存在临界现象。
圆形和菱形截面形状均速管的性能対比见表1。
当设计选用圆形截面均速管后,应按流量变化范围计算雷诺数变化范围,如计算结果不能避开105~1.1×106范围,而测量精确度要求较高时,则应考虑选用菱形截面均速管。
2、静压取压点
均速管有工艺管壁取静压及测量管背面中心取静压两种结构。工艺管壁取静压的结构可以减小均速管的尺寸,其特性曲线直线性好,但所得差压值不足背面中心取静压所得差压值的一半,所以对低速流体不宜采用这种结构。
三、混浊流体的测量
均速管流量计的测量对象基本上与标准节流装置相同,主要用于干净的气体、液体及蒸汽,也可以用于有少量沉积物、粘附物的混浊流体。用于混浊流体时,应考虑选用带下述结构的均速管流量计:
1、排污型均速管
均速管的一端装有取压阀,而另一端装有排污阀,可在运行过程中排污。
2、不停车拆装型均速管
在均速管装置上装有球阀,可在运行中抽出均速管,然后迅速关闭球阀。当均速管清洗完毕后再打开球阀,重新装入均速管。这种在线清洗机构可以省去测量管线的旁路阀和旁路管线。
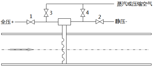
3、吹扫型均速管
采用图3所示外接管线可以对均速管进行间断吹扫。图中阀1为全压取样阀,阀2为静压取样阀,阀3、4为吹扫阀门。正常测量时,打开阀1、2,关闭 阀3、4;吹扫时,关闭阀1、2,打开阀3、4,用介质蒸气或压缩空气可对均速管进行吹洗。
图2 吹扫型均速管流量计管路示意图
四、流速范围
一般认为,均速管流量计所测流体的雷诺数应大于104,即处于紊流状态。这是因为均速管的工作原理属速度式流量计,是以测量流体在管道内平均流速为依据的,也就是说,它是以点代面地进行流量测量,而当流体处于层流状态时,点代表不了面,测量的精确度就很低了。 '
再从测量差压值方面考虑,当气体流速低于10米/秒、液体流速低于0.4米/秒时,差压值大致只有160-200Pa(背面中心取静压)或60-70Pa(管壁取静压)(见表3、表4)。差压值这样低,检测比较困难,精确度比较低。所以大多数资料推荐被测气体的流速应大于10米/秒、被测液体的流速应大于0.5米/秒。精确的流量测量则要求气体流速大于15米/秒,液体流速大于1米/秒。对气体来说,这个流速应该是根据工作状态下的体积流量计算出的实际流速。这一点对高温高压气体来说特别重要,因为在高温状态下实际流速远远大于换算成标准状态下的流速,而高压状态下实际流速又小于换算成标准状态下的流速。
五、均速管流量计直管段要求
由于均速管设有多对全压取压孔,所以对均速管流量计安装位置前后直管段的要求低于孔板,具体要求见表2。
值得注意的是,国内几乎所有均速管流量计使用说明书引用这张表时,在序号1安装位置示意图中都略去了均速管下游侧的弯头,因此,用户无法理解“同一平面"“不同平 面”有什么不同,因为不管上游侧弯头朝什么方向弯,均与主管线在“同一平面"。而表2序号1、2安装位置示意图有上游侧及下游侧两个弯头,“同一平面”与“不同平面”是指两个弯头是否在同一平面上。
文献中的这张表也有不合情理之处。序号1、2的“均速管流量计安装位置”示意图与本文的次序是颠倒的。笔者认为序号1在均速管上游侧只一个90°弯头,而序号2有两个90。弯头,序号2要求上游侧直管段更长一点才合理。
某几个厂的产品说明书在列出表2的同时又加了二张插图(见图3),图名为“均速管所要求的上下游直管段”,图中表示了在均速管上游侧有一个90°弯头时,上下游直管段长度各为2D。在均速管设计选用及现场安装定点时,设计人员往往以此图作依据。这张插图近自自文献,原文图名是“均速管流量计直接装在弯头后”,但文献正文中下述一段说明则没有被这些厂的使用说明书引用:“而尤其难得的是,均速管流量计可以直接安装在弯头后仅两倍直径的地方,仍有可能给出稳定的示值。在这种情总下,如经过单独的标定,可得到±2%的准确度,如仍用原给定的流量系数,仍可得到±5%的准确度。”正确的做法应采用本图的图名,并在正文中以显要位置对此图作必要的说明。
图3 不精确测量时所允许的均速管*小直管段长度示意图
昌晖仪表还建议;在只有图示4D直管段长度的场所,按上游侧2.5D、下游侧1.5D位置安装均速管效果可能更好。
六、均速管流量计*大差压值估算
用均速管进行流量测量,*大的缺点是差压值很小,别是对低流速的气体更是如此。设计时应通过精确计算或估算,
求出*大差压值,依此确定微差压变送器的量程。如果无根据地选定微差压变送器的量程,往往导致流量计现场投运时量程不符、需重新选型的错误。而均速管的*大差压值估算,比孔板计算要简单得多。为使设计选型正确,*大差压值估算应该是均速管流量计设计选用过程中不可缺少的一步。
均速管流量计*大差压值可按速算式近似估算:
,公式中△P为*大差压值(Pa);Qa为刻度流量(m3/h);K为流量系统;D为管道直径(mm);ρf为流体密度(kg/m3)。对背面中心取静压的方式来说,计算时可先按K=0.6来估算差压;对管壁取静压的方式来说,计算时可先按K=1.0来估算差压。
为了方便估算,列出了图4及表2、表3。由图4可方便地估算出流体流速,再按流体种类(气体、液体),分别査表2、表3,即可由流体流速査出*大差压值。
表2 气体流速与均速管差压值对照表
表3 液体流速与均速管差压值对照表
表2是以空气(20℃时密度1.205千克/立方米)为例计算的,表3是以水(20℃时密度998.2千克/立方米)为例计算的,与空气密度相近的气体、与水密度相近的液体,均可参照表2、表3确定*大差压值。
如果设计者手头上已经有某厂产品的使用说明书,而说明书中已经提供了流量系数K的参考值,则可用前述式直接计算*大差压值,或者按下列算式求出修正后的*大差压值△P修:
①对背面中心取静压的方式来说:△P修=△P(0.6/K)2
②对管壁取静压的方式来说:△P修=△P(1.0/K)2
大多数均速管流量计出厂时要附标定证书,证书上列出单独标定的流量系数K值,根据标定证书上所列K值进行计算所得差压值是可靠的,根据这个差压值确定微差压变送器的量程**不会错。但在设计选用时*多只能知道可供参考的K值,所以估算的结果可能会有±30~40%的出入。因此,所选择的微差压变送器应该给△P值留有向上调及向下调的余地。切记:均速管流量计一定要以尽可能准确的K值进行较为精确的差压值计算,以求微差压变送器选型尽量正确。
上一条:皮托管流量计安装与使用
下一条:法兰式液位变送器选型及产品类型
- 相关文章
-
- 雷达液位计的核心技术参数 【2025-10-29】
- 雷达液位计优点和缺点 【2025-10-28】
- 高频雷达料位计采用万向型法兰安装与吹扫装置要注意哪些因素 【2025-08-06】
- 雷达物位计的天线部份为什么采用PTFE聚四氟乙烯材料 【2025-07-10】
- 润中科技关于环形孔板流量计常见故障排除方法浅谈之五 【2014-10-06】
- 如何正确处理磁翻柱液位计使用中出现的显示不准 【2014-12-16】
- 法兰式液位变送器选型及产品类型 【2025-05-06】
- 润中科技总结的关于无纸记录仪必备维修常识 【2014-12-19】
- 如何分析及处理金属管浮子流量计的常见故障 【2014-12-24】
- 润中科技关于外夹式超声波流量计常见故障排除方法浅谈之三 【2014-10-06】








